Waldem Container Shelter dal 1983 Informazioni sui Containers, , Certificato ISO 9001 , Vendita Produzione e Noleggio
dimensioni mm 178 x 162 x 118 , set 8 pezzisaldati
alle estremità dei containers e sono uno standard internazionale come punti
di ancoraggio e di sollevamento.
inferiore destro, inferiore sinistro, superiore destro, superiore sinistro (BL
bottom left, BR bottom right, TL top left, TR top right).
certificati da enti di navigazione internazionali quali il Bureau Veritas, l'American
Bureau of Shipping, i Germanisher Lloyds ecc.





per Container Perni Filettati per affiancare Container

con fondazione Saldabile Coda di rondine (dove tail), destro sinistro, frontale laterale.


-




per bloccare due container sovrapposti . Pezzi unici in acciaio, con due parti coniche ellittiche ruotanti di 90

Fissi con leva per pianali porta container e vagoni ferroviari

per pianali Porta Containers


| Side panel 1.6 X 1116 X 2400 Lamiere grecate pareti laterali | 4 corrugations, corten steel |
|
|
| Side panel 1.6 X 1116 X 2322 Lamiere grecate pareti laterali | 4 corrugations, corten steel |
|
|
| Side panel 1.6 X 1116 X 2740, Lamiere grecate pareti laterali | 4 corrugations, corten steel |
|
|
Da saldare da longherone a longherone
| Roof
Panel spessore mm 2.0 X 1045 X 2356, Lamiere grecate Tetto container tandard 5 corrugations, corten stee |
|
|
Dimensioni mm 28 X 1160 X 2400 da insertare tra longherone e longherone fissare su traverse con viti perforanti

varie portate, da fissare ai blocchi d'angolo del container

Sollevamento container con angolare blocco d'angolo operabile con Martinetto
![]()

da appendere agli anelli interni dei containers
![]()

Ricambi Container
|
ACCESSORIO RICAMBIO PER CONTAINER ISO MARINI |
Misure indicative |
PREZZO da richiedere |
IMMAGINE |
| KEEPER R.H/L.H, ingancio | GALVANIZED |
![]() |
|
| ICE BREAK CAM R.H/L.H, arpione con Leva | GALVANIZED |
![]() |
|
| CAM R.H/L.H, arpione | GALVANIZED |
![]() |
|
| BEARING BRACKET OUTER LARGE, Fascia Asta grande | GALVANIZED |
![]() |
|
| LARGE SPLIT BUSH, Boccola Plastica grande | PLASTIC |
![]() |
|
| BEARING BRACKET OUTER SMALL, fascia Asta piccola | GALVANIZED |
![]() |
|
| SPLIT BUSH SMALL, Boccola Asta Piccola | PLASTIC |
![]() |
|
| HANDLE HUB, Attacco Maniglia | GALVANIZED |
![]() |
|
| STEEL BUSH, Rondelle | GALVANIZED |
![]() |
|
| RETAINER CATCH {FORGED HANDLE} | GALVANIZED |
![]() |
|
| RETAINER PLATE {FORGED HANDLE | GALVANIZED |
![]() |
|
| FORGED HANDLE, Maniglia forgiata | GALVANIZED |
![]() |
|
| RIVET | GALVANIZED |
![]() |
|
| ANTIRACKING RING, Anelli | GALVANIZED |
![]() |
|
| HINGE BLADE, Cerniera piatta Container | GALVANIZED |
![]() |
|
| HINGE LUG | GALVANIZED |
![]() |
|
| HINGE PIN WASHER | STAINLESS STEEL |
![]() |
|
| HINGE PIN, Perno per Cerniera | STAINLESS STEEL |
![]() |
|
| COVER VENTS, Coperchietti ventilatori | PLASTIC |
![]() |
|
| Roof Panel 2.0 X 1045 X 2356, Lamiere grecate pareti Tetto | standard 5 corrugations, corten steel |
|
|
| BOTTOM SIDE RAIL, longherone inferiore Pressopiegato | 4.5X50X162X30X5702, corten steel |
|
|
| TOP SIDE RAIL, longherone superiore Scatolato | 3.0X60X60X5702, corten steel |
|
|
| INNER REAR CORNER POST , montante porte interno | 12X113X40X2353, corten steel |
![]() |
|
| INNER REAR
CORNER POST , montante porte interno High Cube |
12X113X40X2657, Corten steel High Cube |
![]() |
|
| REAR CORNER POST OUTTER, montante porte esterno | 6.0X70X39X230X2400, corten steel |
![]() |
|
| REAR CORNER POST OUTTER, montante porte esterno High cube | 6.0X70X39X230X2700, Corten steel High cube |
![]() |
|
| Front Corner Post , montante frontale | 6.0X209X225X2400, Corten steel | ![]() |
|
| Front Corner Post , montante frontale HC | 6.0X209X225X2700, Corten steel HC | ![]() |
|
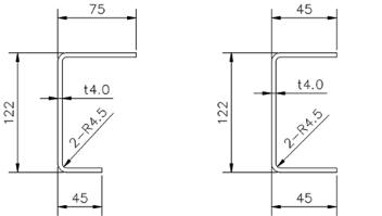
| Crossmember, traverse fondo | 45x122x45x2332x4mm, corten steel |
![]() |
|
| Crossmember, traverse fondo | 75x122x45x2332x4mm, corten steel |
![]() |
|
| Crossmember, traverse fondo | 45x122x45x2400x4.5mm, corten steel |
![]() |
|
| Crossmember , traverse fondo | 75x122x45x2400x4.5mm, corten steel |
![]() |
|
| Lamiera ingresso Traversa inferiore | 4.5X158X150X2400m , corten steel |
![]() |
|
| Guarnizioni, J type Gasket | (per meter ) | ![]() ![]() |
|
| Guarnizinoi, C type Gasket | (per meter) | ||
| CSC Plate pcs |
|
offerta porte container nuove e usate


Da oltre quaranta anni siamo al servizio dei nostri clienti, Waldem è un
Marchio Registrato.
se sei interessato approfondisci con noi, non rimarrai deluso. I prezzi devono
sempre essere Confermati.
|
Ricevi le Nostre Offerte Speciali "MYContainer":
Viene inviata una e-mail di conferma
|